Bomba de engrenagem externa
Solicite uma cotação
Bombas hidráulicas
Informações técnicas
- Deslocamento: 0.8~12cm³/rev.
- Sentido de rotação: no sentido horário (D), anti-horário (S), reversível (R)
- Velocidade mínima: 500~800r/mín
- Velocidade máxima: 2000~4000r/mín
- Pressão máxima: 190~270bar
- Sistema hidráulico, porta traseira do carro
Características
- Baixo ruído, alta eficiência, longa vida útil
- Alto desempenho mesmo em baixas velocidades
- Várias opções de porta de óleo e extensão do eixo disponíveis
- Vedação do eixo sem vazamentos
- Bomba e motor reversíveis opcionais
Parâmetros técnicos
| Deslocamento | Pressão absoluta de sucção | Pressão máxima contínua | Pressão máxima intermitente | Pressão máxima de pico | Velocidade mínima | Velocidade máxima | Eficiência volumétrica |
| Y | Pe | P1 | P2 | P3 | nmín | nmáx | ηv |
| cm³/rev. | bar | t/min | % | ||||
| 0.8 | 0.7...3 | 230 | 250 | 270 | 800 | 4000 | ≥90 |
| 1.2 | |||||||
| 1.7 | ≥91 | ||||||
| 2.5 | |||||||
| 3.2 | 210 | 230 | 250 | 700 | 3800 | ||
| 4.3 | ≥92 | ||||||
| 5 | 3500 | ||||||
| 6 | 200 | 220 | 240 | ||||
| 6.5 | 3000 | ||||||
| 7.8 | 180 | 200 | 220 | 500 | |||
| 8.5 | 170 | 190 | 210 | 2800 | ≥93 | ||
| 10 | 150 | 175 | 190 | 2000 | |||
| 12 | ≥94 | ||||||
Regras para códigos de encomendas
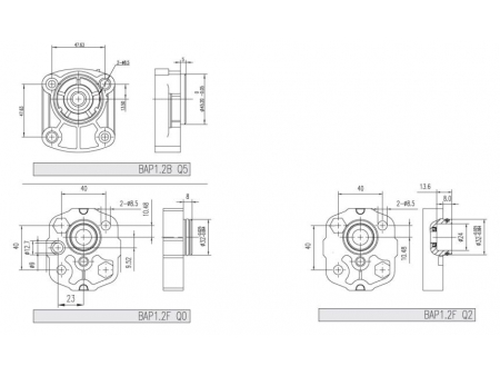
Dimensões padrão
| Deslocamento | Pressão máxima | Velocidade máxima | Velocidade mínima | Peso | Dimensões | Código de porta de óleo | Entrada | Saída | ||||
| P1 | P2 | P3 | M | N | L | D | d | |||||
| (cm³/rev.) | bar | bar | bar | (r/mín) | (r/mín) | Kg | mm | mm | mm | |||
| 0.8 | 230 | 250 | 270 | 4000 | 800 | 1.0 | 84 | 78.7 | 43.5 | Z3 | M16X1.5 | M16X1.5 |
| 1.2 | 230 | 250 | 270 | 4000 | 800 | 1.05 | 85.6 | 80.3 | 44.3 | Z3 | M16X1.5 | M16X1.5 |
| 1.7 | 230 | 250 | 270 | 4000 | 800 | 1.13 | 87.6 | 82.3 | 45.3 | Z3 | M16X1.5 | M16X1.5 |
| 2.5 | 230 | 250 | 270 | 4000 | 800 | 1.2 | 90.9 | 85.6 | 46.9 | Z3 | M16X1.5 | M16X1.5 |
| 3.2 | 210 | 230 | 250 | 3800 | 700 | 1.3 | 94 | 88.7 | 48.5 | Z3 | M16X1.5 | M16X1.5 |
| 4.3 | 210 | 230 | 250 | 3800 | 700 | 1.45 | 98.8 | 93.5 | 50.9 | Z1 | M18X1.5 | M18X1.5 |
| 5.0 | 210 | 230 | 250 | 3500 | 700 | 1.55 | 01.8 | 96.5 | 52.4 | Z1 | M18X1.5 | M18X1.5 |
| 6.0 | 200 | 220 | 240 | 3500 | 700 | 1.7 | 105.3 | 100 | 54.2 | Z1 | M18X1.5 | M18X1.5 |
| 6.5 | 200 | 220 | 240 | 3000 | 700 | 1.75 | 07.8 | 102.5 | 55.4 | Z1 | M18X1.5 | M18X1.5 |
| 7.8 | 180 | 200 | 220 | 3000 | 500 | 1.88 | 13.4 | 108. | 58.2 | Z1 | M18X1.5 | M18X1.5 |
| 8.5 | 170 | 190 | 210 | 2800 | 500 | 1.95 | 15.6 | 10.3 | 59.3 | Z5 | M22X1.5 | M18X1.5 |
| 10 | 150 | 175 | 190 | 2000 | 500 | 2.2 | 22.6 | 117.3 | 62.8 | Z5 | M22X1.5 | M18X1.5 |
| 12 | 150 | 175 | 190 | 2000 | 500 | 2.45 | 30.6 | 25.3 | 66.8 | Z5 | M22X1.5 | M18X1.5 |
| Deslocamento | Pressão máxima | Velocidade máxima | Velocidade mínima | Peso | Dimensões | Código de porta de óleo | Entrada | |||
| P1 | P2 | P3 | M | N | D | |||||
| (cm³/rev.) | bar | bar | bar | (r/mín) | (r/mín) | Kg | mm | mm | ||
| 0.8 | 230 | 250 | 270 | 4000 | 800 | 3.35 | 81.5 | 74.5 | LJ1 | G3/8 |
| 1.2 | 230 | 250 | 270 | 4000 | 800 | 3.4 | 83.1 | 76.1 | LJ1 | G3/8 |
| 1.7 | 230 | 250 | 270 | 4000 | 800 | 3.5 | 85.1 | 78.1 | LJ1 | G3/8 |
| 2.5 | 230 | 250 | 270 | 4000 | 800 | 3.6 | 88.4 | 81.4 | LJ1 | G3/8 |
| 3.2 | 210 | 230 | 250 | 3800 | 700 | 3.7 | 91.5 | 84.5 | LJ1 | G3/8 |
| 4.3 | 210 | 230 | 250 | 3800 | 700 | 3.8 | 96.3 | 89.3 | LJ1 | G3/8 |
| 5.0 | 210 | 230 | 250 | 3500 | 700 | 3.9 | 99.3 | 92.3 | LJ1 | G3/8 |
| 6.0 | 200 | 220 | 240 | 3500 | 700 | 4.0 | 102.8 | 95.8 | LJ1 | G3/8 |
| 6.5 | 200 | 220 | 240 | 3000 | 700 | 4.1 | 105.3 | 98.3 | LJ2 | G1/2 |
| 7.8 | 180 | 200 | 220 | 3000 | 500 | 4.2 | 10.9 | 03.9 | J2 | G1/2 |
| 8.5 | 170 | 190 | 210 | 2800 | 500 | 4.3 | 113. | 06. | LJ2 | G1/2 |
| 10 | 150 | 175 | 190 | 2000 | 500 | 4.2 | 120. | 13. | LJ2 | G1/2 |
| 12 | 150 | 175 | 190 | 2000 | 500 | 4.3 | 128. | 121.1 | LJ2 | G1/2 |
| Deslocamento | Pressão máxima | Velocidade máxima | Velocidade mínima | Peso | Dimensões | Código de porta de óleo | Entrada | Saída | ||||||
| P1 | P2 | P3 | M | N | L | D | d | |||||||
| (cm³/rev.) | bar | bar | bar | (r/mín) | (r/mín) | Kg | mm | mm | mm | |||||
| 0.8 | 230 | 250 | 270 | 4000 | 800 | 3.35 | 81.5 | 74.5 | 38.8 | L1 | G3/8 | G3/8 | ||
| 1.2 | 230 | 250 | 270 | 4000 | 800 | 3.4 | 83.1 | 76. | 39.6 | L1 | G3/8 | G3/8 | ||
| 1.7 | 230 | 250 | 270 | 4000 | 800 | 3.5 | 85.1 | 78.1 | 40.6 | L1 | G3/8 | G3/8 | ||
| 2.5 | 230 | 250 | 270 | 4000 | 800 | 3.6 | 88.4 | 81.4 | 42.2 | L1 | G3/8 | G3/8 | ||
| 3.2 | 210 | 230 | 250 | 3800 | 700 | 3.7 | 91.5 | 84.5 | 43.8 | L1 | G3/8 | G3/8 | ||
| 4.3 | 210 | 230 | 250 | 3800 | 700 | 3.8 | 96.3 | 89.3 | 46.2 | L2 | G1/2 | G3/8 | ||
| 5.0 | 210 | 230 | 250 | 3500 | 700 | 3.9 | 99.3 | 92.3 | 47.7 | L2 | G1/2 | G3/8 | ||
| 6.0 | 200 | 220 | 240 | 3500 | 700 | 4.0 | 02.8 | 95.8 | 49.5 | L2 | G1/2 | G3/8 | ||
| 6.5 | 200 | 220 | 240 | 3000 | 700 | 4.1 | 05.3 | 98.3 | 50.7 | L2 | G1/2 | G3/8 | ||
| 7.8 | 180 | 200 | 220 | 3000 | 500 | 4.2 | 10.9 | 03.9 | 53.5 | L2 | G1/2 | G3/8 | ||
| 8.5 | 170 | 190 | 210 | 2800 | 500 | 4.3 | 113. | 106. | 54.6 | L3 | G1/2 | G1/2 | ||
| 10 | 150 | 175 | 190 | 2000 | 500 | 4.2 | 20. | 13. | 58.1 | L3 | G1/2 | G1/2 | ||
| 12 | 150 | 175 | 190 | 2000 | 500 | 4.3 | 28. | 121.1 | 62.1 | L3 | G1/2 | G1/2 | ||
| Deslocamento | Pressão máxima | Velocidade máxima | Velocidade mínima | Peso | Dimensões | Código de porta de óleo | Entrada | Saída | |||||||
| P1 | P2 | P3 | M | N | L | D | d | ||||||||
| (cm³/rev.) | bar | bar | bar | (r/mín) | (r/mín) | Kg | mm | mm | mm | ||||||
| 0.8 | 230 | 250 | 270 | 4000 | 800 | 3.35 | 81.5 | 74.5 | 38.8 | L1 | G3/8 | G3/8 | |||
| 1.2 | 230 | 250 | 270 | 4000 | 800 | 3.4 | 83.1 | 76. | 39.6 | L1 | G3/8 | G3/8 | |||
| 1.7 | 230 | 250 | 270 | 4000 | 800 | 3.5 | 85.1 | 78.1 | 40.6 | L1 | G3/8 | G3/8 | |||
| 2.5 | 230 | 250 | 270 | 4000 | 800 | 3.6 | 88.4 | 81.4 | 42.2 | L1 | G3/8 | G3/8 | |||
| 3.2 | 210 | 230 | 250 | 3800 | 700 | 3.7 | 91.5 | 84.5 | 43.8 | L1 | G3/8 | G3/8 | |||
| 4.3 | 210 | 230 | 250 | 3800 | 700 | 3.8 | 96.3 | 89.3 | 46.2 | L3 | G1/2 | G1/2 | |||
| 5.0 | 210 | 230 | 250 | 3500 | 700 | 3.9 | 99.3 | 92.3 | 47.7 | L3 | G1/2 | G1/2 | |||
| 6.0 | 200 | 220 | 240 | 3500 | 700 | 4.0 | 102.8 | 95.8 | 49.5 | L3 | G1/2 | G1/2 | |||
| 6.5 | 200 | 220 | 240 | 3000 | 700 | 4.1 | 05.3 | 98.3 | 50.7 | L3 | G1/2 | G1/2 | |||
| 7.8 | 180 | 200 | 220 | 3000 | 500 | 4.2 | 10.9 | 03.9 | 53.5 | L3 | G1/2 | G1/2 | |||
| 8.5 | 170 | 190 | 210 | 2800 | 500 | 4.3 | 113. | 06. | 54.6 | L3 | G1/2 | G1/2 | |||
| 10 | 150 | 175 | 190 | 2000 | 500 | 4.2 | 120.1 | 13. | 58.1 | L3 | G1/2 | G1/2 | |||
| 12 | 150 | 175 | 190 | 2000 | 500 | 4.3 | 128.1 | 121. | 62.1 | L3 | G1/2 | G1/2 | |||

