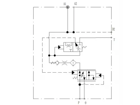
Válvula de carga do acumulador (simples)
Válvulas hidráulicas para que o acumulador mantenha consistentemente um suprimento adequado de óleo hidráulico de alta pressão
- Design modular e compacto que oferece operação segura e confiável
- Baixo vazamento interno com resposta rápida, melhorando a estabilidade do sistema hidráulico
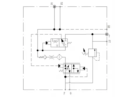
- Disponível em versões de circuito simples e duplo, construído para se integrar perfeitamente com configurações de acumulador, garantindo desempenho hidráulico confiável e eficiente
A válvula de carga do acumulador é amplamente utilizada em caminhões de mineração, veículos com pneus de borracha, carregadeiras de rodas, retroescavadeiras, motoniveladoras, tratores, empilhadeiras e manipuladores telescópicos. Ela garante que o acumulador mantenha consistentemente um suprimento adequado de óleo hidráulico de alta pressão, fornecendo energia de reserva crítica para o sistema de frenagem. Isso garante uma frenagem de emergência eficaz, mesmo se o motor desligar, a bomba hidráulica falhar ou o sistema principal apresentar mau funcionamento.
Em condições normais de operação, a válvula oferece suporte de frenagem rápido e potente, aumentando a confiabilidade e o desempenho de segurança à prova de falhas dos sistemas de frenagem em equipamentos pesados e móveis.
| Taxa de carga | 10L/min |
| Pressão limite inferior | 114bar |
| Pressão limite superior | 138bar |
| Pressão do sistema | 210bar |
| Taxa de fluxo | 7.5~113.6L/min |
| Faixa de temperatura do fluido hidráulico | -20℃~120℃ |
| Faixa de temperatura ambiente | -40℃~80℃ |
| Fluido hidráulico | Óleo mineral geral (ISO 20~400mm²/s) |

