MCM-H Válvula direcional hidráulica
Solicite uma cotação
                                    
                                                                                                    
                                         WebSite: http://hydraulicvalve-br.com/12-3-scissor-lift-control-valve-for-hydraulic-scissor-lift.html
                                    
                                                                
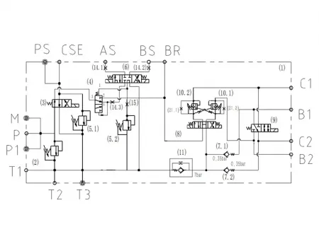
                                Válvulas hidráulicas para controle suave da elevação, descida e deslocamento de elevadores tipo tesoura
- Design modular e compacto para um controle hidráulico seguro e confiável
 - Design patenteado com válvula de contrapeso de deslocamento integrada para melhorar a estabilidade geral da plataforma
 - A construção de alta eficiência reduz o consumo de energia, prolongando o tempo de operação do equipamento
 
Aplicações
 Projetado para elevadores tipo tesoura acionadas hidraulicamente, estas válvulas proporcionam um controle suave de elevação e descida, bem como um ajuste confiável da velocidade e direção do deslocamento, garantindo uma operação segura, estável e eficiente da plataforma durante trabalhos em altura.
Especificações
 | Pressão máxima de operação | 250bar | 
| Fluxo nominal | 20L/min | 
| Voltagem | DC20V±10% | 
| Faixa de temperatura do fluido | -30℃~110℃ | 
| Faixa de temperatura ambiente | -30℃~110℃ | 
| Faixa de viscosidade do óleo | ISO 20~400mm²/s | 
Productos relacionados
                                    Deixe uma mensagem
                                    
                                    
                                Outros Produtos
                                    
                                                            O Mais Recente
                        Saiba mais
                                                                                                                                                                                                                                                                                                                                                                            
                                                                                                                                
                                                                                                                                
                                                                                                                                
                                                                                                                                
                                                                                                                                
                                                                                    Outros Produtos
                        Vídeo
                            
                                            
                                                
                                                