Cabeçote de corte a laser robótico 3D com foco manual (3kW)
LCR03
Cabeçote de corte a laser com foco manual e eixo seguidor integrado para cortar formas 3D complexas
LCR03
Cabeçote de corte a laser com foco manual e eixo seguidor integrado para cortar formas 3D complexas
Nossos cabeçots de corte a laser robóticos 3D de 3 kW com foco manual utilizam resfriamento a água para manter a temperatura estável durante longos períodos de funcionamento, garantindo assim um desempenho estável. Se ocorrer um impacto, a proteção anticolisão é reiniciada automaticamente. A carcaça da cabeça de corte a laser é leve e vedada contra poeira, o que facilita o manuseio e a manutenção. A óptica utiliza um conjunto de janelas de proteção de três camadas que resiste ao desgaste e impede a contaminação.
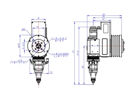
| Tipo | Cabeçote de corte a laser robótico 3D com foco manual |
| Modelo | LCR03 |
| Interface | QBH |
| Comprimento de onda | 1080±10nm |
| Potência nominal | ≤4kW |
| Distância focal | 150mm / 125mm |
| Comprimento de colimação | 75mm |
| Faixa de foco | -12mm~ 12mm / -9mm~ 9mm |
| Faixa de ajuste de centralização | ±1.5mm |
| Precisão de posicionamento do foco manual | 0.1mm |
| Curso de acompanhamento | 27mm |
| Velocidade de acompanhamento | ≤250mm/s |
| Pressão do gás auxiliar | ≤2.5MPa |
| Peso | 5kg |
Essas cabeças de corte a laser 3D funcionam em máquinas de corte de cinco eixos e células robóticas para carrocerias automotivas, pára-lamas e outros painéis externos. Elas são capazes de processar chapas de aço carbono, alumínio, cobre e metal galvanizado com qualidade consistente.
O resfriamento a água em circuito fechado na interface/conector QBH mantém a temperatura estável e evita a condensação na óptica, para que as operações prolongadas permaneçam consistentes.
Um sistema de localização cônico de três pontos retorna a cabeça à sua posição original após um impacto, para que o alinhamento permaneça preciso.
O módulo sensor integrado (controle capacitivo de distância) é totalmente fechado e leve, impedindo a entrada de poeira enquanto rastreia superfícies rapidamente para um corte preciso e de alta velocidade.
Três janelas protetoras protegem a óptica de foco central contra respingos e poeira, aumentando a durabilidade na produção diária.
Um suporte de sensor compatível utiliza parafusos de cisalhamento (projetados para quebrar com segurança em caso de impacto) para proteger a cabeça e, simultaneamente, enviar um sinal de parada de colisão ao controlador.
A detecção de colisão está integrada ao sistema de controle para cortar a energia imediatamente após o impacto, evitando danos adicionais.

