DCF20 Válvula de controle
Solicite uma cotação
                                    
                                                                                                    
                                                                
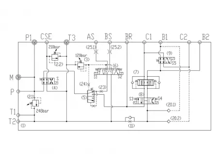
                                Válvulas hidráulicas para controle suave da elevação, descida, direção de deslocamento e velocidade de elevadores tipo tesoura
- Design modular e compacto projetado para um controle hidráulico seguro e confiável
 - Bloco de válvulas patenteado com válvula de contrapeso de deslocamento integrada para aumentar a estabilidade geral da máquina
 - Projetado para reduzir a perda de pressão em mais de 20% em comparação com as soluções de válvulas de cartucho, melhorando a eficiência energética e prolongando o tempo de operação
 
Aplicações
 Desenvolvida para elevadores tipo tesoura acionadas hidraulicamente, esta válvula de controle gerencia todas as funções essenciais da plataforma de trabalho aéreo, como operações de elevação e descida, controle de direção preciso, gerenciamento de freios, bem como ajuste da direção e velocidade de deslocamento (modos rápido e lento).
Especificações
 | Pressão máxima de operação | 250bar | 
| Fluxo nominal | 20L/min | 
| Voltagem | DC20V±10% | 
| Faixa de temperatura do fluido | -30℃~110℃ | 
| Faixa de temperatura ambiente | -30℃~110℃ | 
| Tratamento de superfície | Niquelado | 
| Faixa de viscosidade do óleo | ISO 20~400mm²/s | 
Productos relacionados
                                    Deixe uma mensagem
                                    
                                    
                                Outros Produtos
                                    
                                                            O Mais Recente
                        Saiba mais
                                                                                                                                                                                                                                                                                                                                                                            
                                                                                                                                
                                                                                                                                
                                                                                                                                
                                                                                                                                
                                                                                                                                
                                                                                    Outros Produtos
                        Vídeo
                            
                                                
                                                